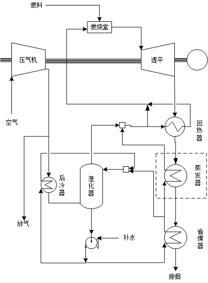
利用水加湿燃气轮机工质的循环由于其高效率和低排放的潜力一直是燃气轮机新型循环研究的重要内容之一,而湿空气透平是其中的代表性循环之一,其原理是利用湿化器回收中低品位热能,回热器回收高品位热能,在不增加压气机耗功的情况下提高做功介质流量,从而提高循环的功率和效率,HAT循环作为一种先进的燃气轮机循环方式,国内外学者对其进行了大量的理论分析,但是HAT循环的试验研究较少,尤其是10MW级以上循环特性试验。工程热物理所先进能源动力重点实验室研究人员研究分析了以某10MW级燃气轮机构建HAT循环试验系统的配置及其热电联供热力性能,为试验台的搭建提供参考。
研究人员以某10MW燃气轮机为研究对象,该燃气轮机为单轴布置,采用两路压气机抽气来冷却透平叶片,分析了其HAT循环热电联供外供热水和外供蒸汽时的热力性能,给出了燃机通流匹配结果、大范围热电比调节时系统的热力性能和对燃烧室等部件的技术要求。纯供电时,HAT循环中湿化器、省煤器、后冷器和回热器回收了中低品位热能,HAT循环发电效率相比回热循环效率高4.6个百分点,发电功率增加34%。
HAT循环热电联供外供热水时,可调节热电比为0-3.7,热电联供效率在40.1%-91.0%,通过控制进入回热的空气比例或控制外供热水比例来调节热电比;HAT循环热电联供外供蒸汽时,可调节热电比在0-2.4,热电联供效率在40.1%-89.9%,通过控制空气进入回热的空气比例和空气后冷湿化比例来调节热电比。
为使燃气轮机在全范围内通流匹配,压气机放气量在0-5.3kg/s,占压气机出口空气比例在0%-10.7%。HAT循环热电联供全范围内,系统进入燃烧室的空气含湿量在5g/kg-0.175kg/kg之间,燃烧室入口空气温度在70℃-505℃之间,空气压力在0.7MPa附近,要求燃烧室的工作范围较宽。
图1 HAT循环热电联供示意图




